hmis service point dc
More than 120 agencies with over 400 programs participate in HMIS at all levels of the Continuum of Care including street outreach prevention. It also is the database used to manage our Coordinated Entry System.
17 Panel Mount Monitor And Industrial Touch Screen Hope Industrial Systems
The Homeless Management Information System HMIS is the primary database for client level data for consumers of homeless services in the District of Columbia.
Industrial Monitors Rugged Hmis
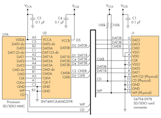
Connecting With Industrial Hmis Electronic Design
Connecting With Industrial Hmis Electronic Design
Hospital Management System Bd Hospitality Management Management Information Systems Management
Zhdzilin I Will Create Scrapy Spiders For You For 50 On Fiverr Com In 2021 Data Mining Coding Upwork
Hospital Management System Bd Hospitality Management Management Information Systems Management
Enhance Your Hmis By Selecting The Proper Backlight Memtronik

